FULL BORE BALL VALVE 272 FOR PRESSURE TAPPING (WELDED)
Working medium
District heating networks, petroleum products, combustible and lubricating materials, other fluids free from abrasive contaminants. Natural gas, liquefied petroleum gas, gaseous media, non aggressive towards valve materials.
Type: pressure tapping ball valve
Characteristics
Мах. temperature (Т) °С. : + 200
Мin. temperature (Т) °С. : - 60
Valve gate tightness rating: : Class "A"
Service life : At least 25 years
Warranty period : 3 years or 10 000 cycles
Characteristics modification
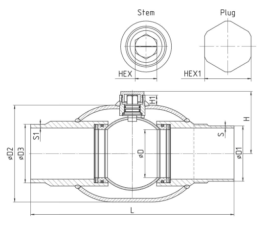
| DN | PN | Product number | L | D | D1 | D2 | D3 | H | H1 | S | S1 | HEX | HEX1 | |
|---|---|---|---|---|---|---|---|---|---|---|---|---|---|---|
| 25 | 40 | 27220025 | 209 | 24 | 33,7 | 57 | 36,5 | 44,5 | 13 | 2,6 | 4,25 | 9 | 22 | |
| 32 | 40 | 27220032 | 207 | 32 | 42,4 | 76 | 36,5 | 51 | 10 | 2,6 | 4,25 | 9 | 22 | |
| 40 | 40 | 27220040 | 207 | 40 | 48,3 | 89 | 52,1 | 60,5 | 13 | 2,6 | 4,5 | 10 | 27 | |
| 50 | 40 | 27220050 | 262 | 48 | 60,3 | 108 | 64,5 | 67 | 10 | 2,9 | 5 | 10 | 27 | |
| 65 | 25 | 27220065 | 280 | 66 | 76,1 | 133 | 80,3 | 85 | 14 | 2,9 | 5 | 15 | 32 | |
| 80 | 25 | 27220080 | 312 | 78 | 88,9 | 159 | 94,5 | 95 | 10 | 3,2 | 6 | 15 | 32 | |
| 100 | 25 | 27220100 | 352 | 100 | 114,3 | 180 | 122,1 | 122,5 | 25,5 | 3,6 | 7,5 | 19 | 41 | |
| 125 | 25 | 27220125 | 365 | 125 | 139,7 | 219 | 151,7 | 139,5 | 23 | 5,6 | 10 | 19 | 41 | |
| 150 | 25 | 27220150 | 365 | 125 | 168,3 | 219 | 151,7 | 139,5 | 23 | 4,5 | 10 | 19 | 41 |